PODĄŻAJ ZA NAMI:

Produkty
Przełącznik krzywkowy kombinowany 10A 1,7 kW
  • Przełącznik krzywkowy kombinowany 10A 1,7 kWPrzełącznik krzywkowy kombinowany 10A 1,7 kW
  • Przełącznik krzywkowy kombinowany 10A 1,7 kWPrzełącznik krzywkowy kombinowany 10A 1,7 kW
  • Przełącznik krzywkowy kombinowany 10A 1,7 kWPrzełącznik krzywkowy kombinowany 10A 1,7 kW

Przełącznik krzywkowy kombinowany 10A 1,7 kW

Yaming, z ponad 30-letnim doświadczeniem w branży, jest profesjonalnym producentem przełączników elektrycznych i niezawodnym dostawcą z Chin. Nasz kombinowany przełącznik krzywkowy 10 A o mocy 1,7 kW (seria HZ5) zapewnia stabilne, wydajne i konfigurowalne rozwiązania w zakresie sterowania obwodami do zastosowań przemysłowych i elektrycznych. Przełącznik ten, dzięki wyrafinowanemu wykonaniu, zaawansowanej technologii i rygorystycznej kontroli jakości, umożliwia bezpieczne ręczne przełączanie, sterowanie silnikiem i funkcje przełączania obwodów, a ponadto jest wspierany przez nasz wewnętrzny system produkcji fabrycznej, zapewniający solidną pewność.

Yaming jest zaufanym liderem w dziedzinie komponentów elektrycznych, łączącym dziesięciolecia doświadczenia zawodowego z rygorystycznym systemem jakości. Nasz kombinowany przełącznik krzywkowy 10 A o mocy 1,7 kW został zaprojektowany z myślą o niezawodnym, rzadkim sterowaniu obwodami i obsłudze małych silników. Jako profesjonalny producent z siedzibą w Chinach zapewniamy naszym klientom na całym świecie stabilną wydajność produktów i niezawodne dostawy.


Parametry techniczne i scenariusze zastosowań


1. Obowiązujące obwody: AC 50 Hz, napięcie znamionowe do 380 V AC, 240 V DC, prąd znamionowy do 63 A

2. Podstawowe funkcje: Ręczne przełączanie obwodów, rozłączanie, sterowanie i konwersja

3. Kombinowany przełącznik krzywkowy 10 A o mocy 1,7 kW może bezpośrednio sterować silnikami prądu przemiennego o małej mocy, wspierając główne sterowanie, pomiar obwodu i regulację prędkości silnika.

4. Nadaje się do scenariuszy dystrybucji mocy, sterowania mechanicznego i konwersji systemu elektrycznego


Podstawowe funkcje produktu


1. Stabilna wydajność: trwała konstrukcja i niezawodna konstrukcja styku, długa żywotność

2. Szeroka kompatybilność: Kombinowany obrotowy przełącznik krzywkowy 10 A o mocy 1,7 kW obsługuje wiele poziomów napięcia i typów obwodów.

3. Elastyczna obsługa: Ręczne, rzadkie przełączanie, odpowiednie do codziennych scenariuszy sterowania.

4. Konfigurowalny projekt: Pozycje przełączników i numery biegunów można dostosować do konkretnych potrzeb klienta.

5. Produkcja zapewniająca jakość: Wyprodukowana w całości w naszej zaawansowanej fabryce i poddana rygorystycznym testom.


Wartość i obsługa


Yaming zapewnia stabilne, wydajne i konfigurowalne rozwiązania sterujące do różnych zastosowań elektrycznych. Dzięki możliwościom produkcyjnym obejmującym cały łańcuch i profesjonalnemu wsparciu technicznemu dostarczane przez nas obrotowe przełączniki krzywkowe łączą w sobie niezawodność, bezpieczeństwo i opłacalność.



Zastosowanie produktu


Parametry techniczne



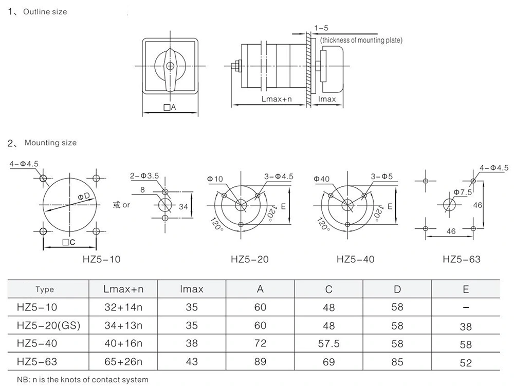
Rozmiar zarysu produktu Rozmiar instalacji


Gorące Tagi: Przełącznik krzywkowy kombinowany 10A 1,7 kW Chiny, producent, dostawca, fabryka
Wyślij zapytanie
Informacje kontaktowe
Jeżeli mają Państwo jakiekolwiek pytania dotyczące wyceny lub współpracy, prosimy o przesłanie wiadomości e-mail lub skorzystanie z poniższego formularza zapytania. Nasz przedstawiciel handlowy skontaktuje się z Tobą w ciągu 24 godzin.
X
Używamy plików cookie, aby zapewnić lepszą jakość przeglądania, analizować ruch w witrynie i personalizować zawartość. Korzystając z tej witryny, wyrażasz zgodę na używanie przez nas plików cookie. Polityka prywatności
Odrzucić Przyjąć